- Кабель АВБбШв
- Кабель АВБбШвнг
- Кабель АСБ
- Кабель АСБл
- Кабель ВБбШв
- Кабель ВБбШвнг
- Кабель ВВГ
- Кабель ВВГнг
- Все категории
- Кабель ВВГнг-FRLS
- Кабель ВВГнг-LS
- Кабель ВВГ-Пнг(А)-LS
- Провод АС
- Провод СИП
- Провод СИП-2
- Провод СИП-3
- Провод СИП-4
- Кабель АПвБбШв
- Кабель АПвБбШп
- Кабель АПвБбШпг
- Нагревательный кабель Теплолюкс ССТ
- Нагревательный кабель Raychem
- Нагревательный кабель Nexans
- Нагревательный кабель IQWATT
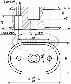
Изолятор РО-1
по запросу | Купить в 1 клик |
Технические характеристики
| Номинальное напряжение | до 1 кВ |
| Марка изолятора | РО-1 |
| Масса, кг | 0,28 кг |
| Испытательное напряжение | 3,5 кВ |
Изоляторы РО-1 широко применяются для крепления и изоляции токонесущих проводников в наружных и внутренних сетях низкого напряжения до 1000 вольт. Кроме того, они используются в низковольтном электрооборудовании для этих же целей.
Изолятор изготовлен из особого вида электротехнической керамики, что позволило получить изделие с высокими диэлектрическими свойствами. Обжиг фарфорового корпуса изолятора РО-1 проводится при высокой температуре, что позволяет получить плотную структуру.
Срок эксплуатации изоляторов РО-1
Изготовитель изоляторов РО-1 гарантирует работу изделия в течение не менее 10 лет со дня начала эксплуатации низковольтного изолятора. Однако даже после окончания рекомендованного заводом срока службы, изоляторы продолжают исправно выполнять свои функции по креплению и изоляции токонесущих проводников в сетях низкого напряжения.
Мы готовы поставить Вам изоляторы РО-1 в любых количествах. Качество изоляторов подтверждено сертификатами, изоляторы на заводе в обязательном порядке проходят контроль качества.
Вольт-Сервис является официальным дилером производителя качественных фарфоровых изоляторов, что гарантирует Вам прямые бесперебойные поставки, низкие цены при стабильно высоком качестве изделий. Большой ассортимент изоляторов всегда в наличии на нашем ростовском складе. Собственный парк автотранспорта позволит в кратчайшие сроки решить вопрос по доставке изоляторов к Вам или до терминала транспортной компании.
Звоните, обсудим цены на изоляторы РО-1 и начнем работать
|
|
|







